As an Amazon Associate, we earn from qualifying purchases.

Carter Bearings

Gallery

Attributes

Brand name, Manufacturer name, Manufacturer, Extra Product NameCarter Bearings
Attribute00, countryOfOriginUnited States
AttributeKey00Country of Origin (subject to change)
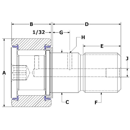
DimensionUnitinch
GraingerSkuCACNBH-22-SB
UPC813930020372
WeightUnitlbs
extendedLead10
extendedQty, qtyInStockOverride-2
jsonUrlData924526ffbdad25e5923b
moq, multiple4
MPNCNBH-22-SB
qtyInStock0
SKUG001018711
tierMinQty11
tierPrice130.70
urlhttps://www.zoro.com/carter-bearings-6875-needle-cam-follower-hd-sealed-hex-cnbh-22-sb/i/G001018711/

Distributor offers

SellerSKUMOQIn stockMultiplePrices
ZoroG001018711441 @ $30.70
MRO Supply2490031111 @ $19.92