prev
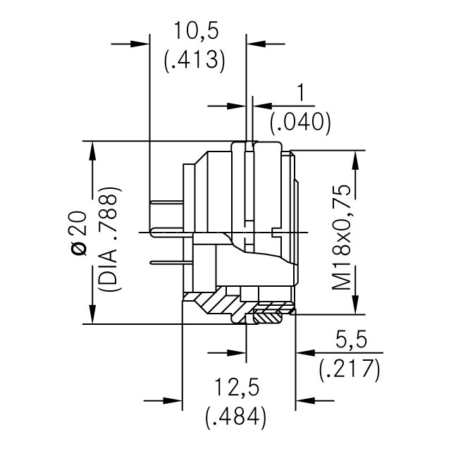
Amphenol Sine Systems Corp T 3478 404
Amphenol Sine Systems Corpzoom