prev
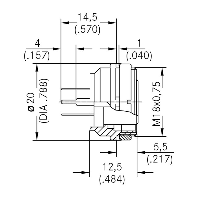
Amphenol Sine Systems Corp T 3478 420
Amphenol Sine Systems Corpzoom