prev
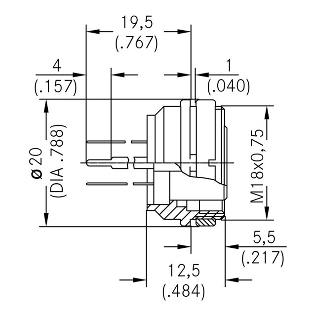
Amphenol Sine Systems Corp T 3478 430
Amphenol Sine Systems Corpzoom