prev
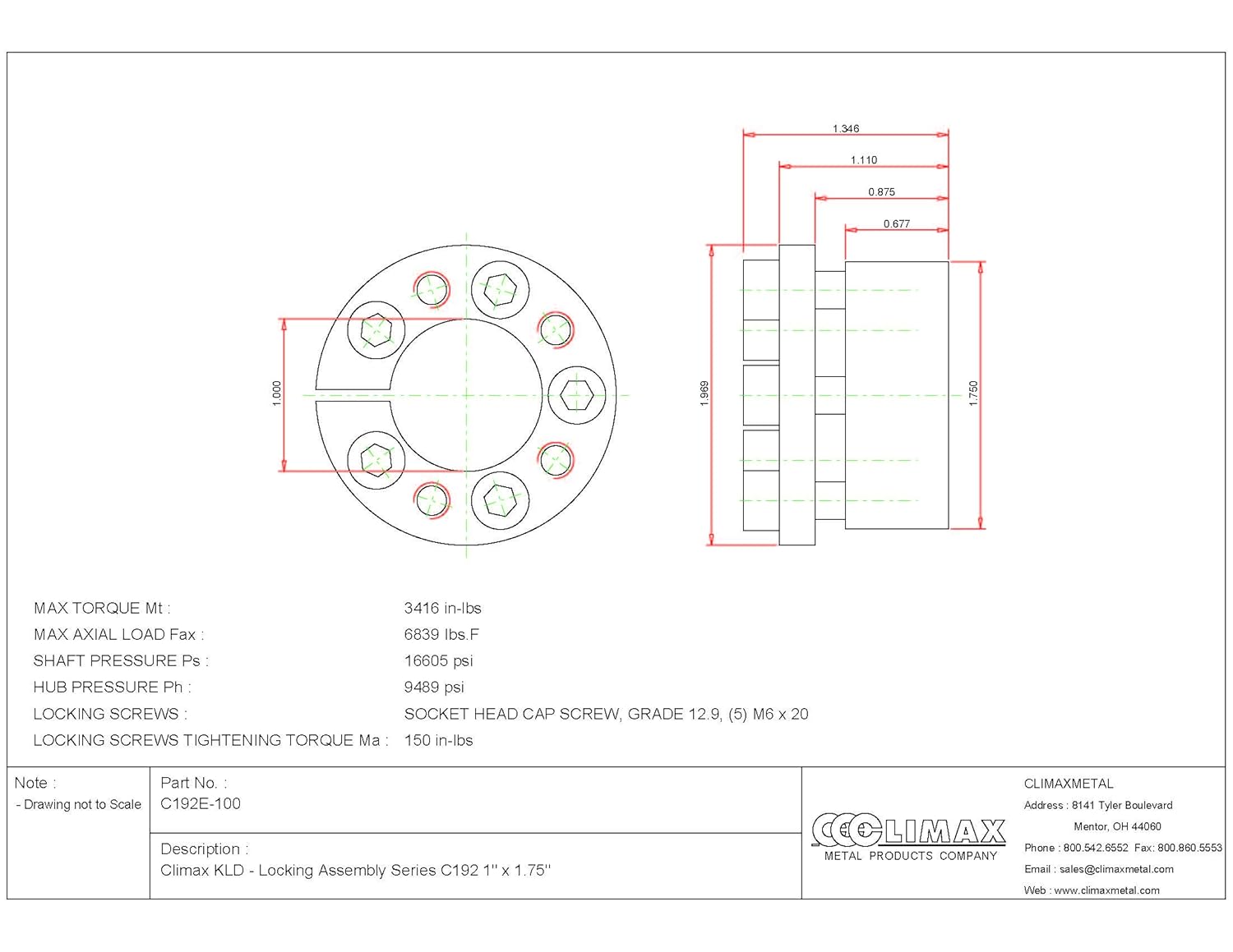
Climax Metals C192E-100
Climax Metalszoom
manufacturer:
Description:
Keyless locking devices (kids) are mechanical bushings used to connect power transmission components onto Rotating shafts. Without the use of keyways, kids eliminate the problems associated with backlash including fretting, corroding, and wallowing. Kids work with straight bores and generous tolerances, reducing component machining and complexity cost. In addition, kids are installed and removed using simple hand tools; no heat or high forces are required.