prev
Concord Electronics 10-602-2-05
Concord Electronicszoom
manufacturer:
Description:
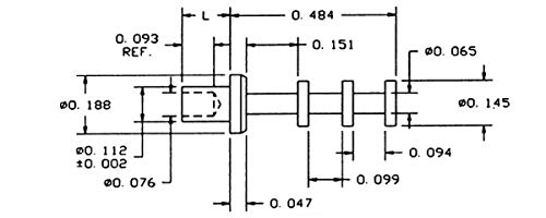
10-602-2-05, Non-Insulated Triple Turret Terminal (25 Items)