prev
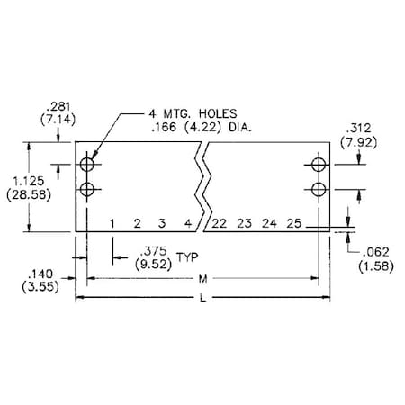
Connectivity Solutions MS-7-140
Connectivity Solutionszoom