prev
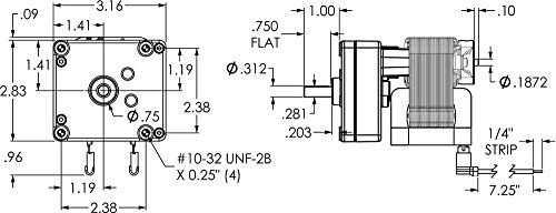
DAYTON 1MBG2
DAYTONzoom
mpn:
brand:
manufacturer:
MPN:
Description:
AC Gearmotor, 197 RPM, Open, 115V