prev
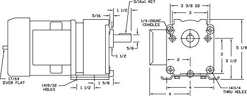
Dayton 6K334
Daytonzoom
mpn:
brand:
manufacturer:
MPN:
Description:
Dayton 6K334 Gearmotor,AC,135 RPM - 6K334