prev
Dayton 6K334
Daytonzoom
mpn:
brand:
manufacturer:
MPN:
Description:
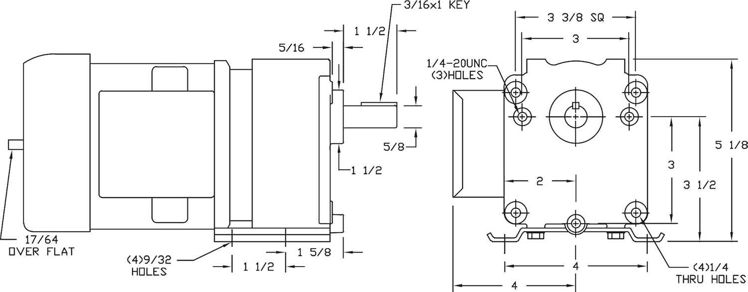
AC Gearmotor, Voltage 115VAC, Phase 1, Hz 60, Shaft Orientation Parallel, Nameplate RPM 135, Max. Torque 65 in.-lb., Overhung Load 175 lb., Input HP 1/6, Gear Ratio 13:1, Full Load Amps 3.8, Enclosure TEFC, Thermal Protection None, Max. Ambient Temp. 40 Degrees C, Rotation Reversible, Mounting All Position, Motor Type Split-Phase, Length Less Shaft 9-7/8", Brake Adaptable to 5X400, Number of Brake Discs Required 2, Bearings Heavy Duty Needle Roller and Thrust Balls on Case, Ball on Motor, Lubrication Permanent Heavy Duty Gear Oil, Housing Die Cast Aluminum, Gear Case Material Die Cast Aluminum, Gears Hardened Steel, 1st Stage Helical, Subsequent Stages Spur, AGMA Class 9, Gear Material Hardened Steel, Gear Type Helical First Stage/Subsequent Stages Spur/AGMA Class 9, Seals Lip Type on Input and Output Shaft, RPM Range 100 to 150WARNING:?California ResidentsThis product can expose you to chemicals including Styrene, which is known to the State of California to cause cancer and birth defects or other reproductive harm. For more information go to www.P65Warnings.ca.gov.

Attributes

Key ^Value
ASINB000TKHK0E
Batteries Required?No
Item Package Quantity1
ManufacturerDayton
Part Number6K334