prev
Raf Raf 5247-TE-145
qty:
1
simpleSku:
jk5Nzc:::5247-TE-145
sku:
jk5Nzc::FK:5247-TE-145@y1
condition:
11
amzMan:
raf
HazMat:
False
DropShip:
False

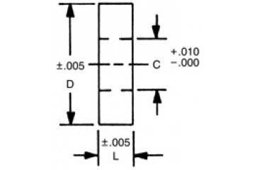
RAF 5247-TE-145 Diameter Flat Insulating Washer - Teflon - 3/8 (10 PACK)

RAF 5247-TE-145 Diameter Flat Insulating Washer - Teflon - 3/8 (10 PACK)zoom