prev
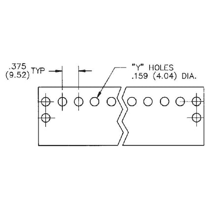
Connectivity Solutions MS-23-140-Y
Connectivity Solutionszoom