- mpn4CVZ2
- brandname: DAYTON
- manufacturername: DAYTON
AC Gearmotor, 84 RPM, TEFC, 115/208-230V


- Brand: Dayton
- PartNumber: 4CVZ2
- Model: 4CVZ2
- PackageQuantity: 1
- Binding: Misc.
- Manufacturer: Dayton
- Label: Dayton
Attributes
| Key | Value |
|---|
| Agency Compliance | UL Recognized, CSA |
| Ambient (C) | 40 |
| Application | Printing Press, Conveyo. |
| Approved | UL Recognized, CSA |
| Bearings | Ball, Roller on Case, B. |
| Brake Type | None |
| Brand | Dayton |
| Current Stock | 3 |
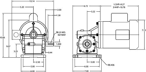
| Dimension A | 10.78 in |
| Dimension AA | 6.72 in |
| Dimension AB | 6 in |
| Dimension B | 7.13 in |
| Dimension BA | 1" |
| Dimension C | 7 in |
| Dimension D | 6 in |
| Dimension D1 | 10.14" |
| Dimension D2 | 3" |
| Dimension E | 3.22 in |
| Dimension F | 5.2" |
| Dimension H | 3.25" |
| Dimension L | 2.5" |
| Dimension N | 0.44 in |
| Dimension S | 1.38" |
| Dimension U | 9 7/100" |
| Dimension X | 2" |
| Dimension Z | 5" |
| Enclosure | TEFC |
| Frequency | 50 Hz, 60 Hz |
| Full Load Amps | 11.2/5.6 |
| Full Load Torque (In.-L. | 456.0 |
| Gear Case | Die Cast Aluminum |
| Gear Case Material | Die Cast Aluminum |
| Gear Material | Hardened Steel/Forged B. |
| Gear Ratio | 21:1 |
| Gear Type | Worm |
| Gearmotor Brake Type | None |
| Gearmotor Enclosure | Totally Enclosed Fan-Co. |
| Gearmotor Mounting Posi. | All Angle |
| Gearmotor Phase | 1 |
| Gearmotor Rotation | CW/CCW |
| Gearmotor Shaft Orienta. | Right Angle |
| Gearmotor Shaft Type | Single Left |
| Gearmotor Type | AC Gearmotor |
| Gearmotor Voltage | 115/208-230V AC |
| Gears | Hardened Steel Worm, Fo. |
| Height (Dimension O) | 10.66" |
| Housing | Aluminum/Cast Iron |
| Housing Mount Hole Size | 0.406 in |
| Hz | 60, 60/50 Hz |
| Includes | Capacitor |
| Input Horsepower | 0.75 hp |
| Input HP | 3/4 hp, 3/4 |
| Insulation Class | F |
| International Shipping | No |
| Item | AC Gearmotor |
| Keyway (In.) | 1/4 X 1 1/4 |
| Keyway Depth | 1 1/4 in |
| Keyway Size | 1/4" Square x 1-1/4" |
| Keyway Size Type | 1/4 sq in x 1-1/4 in |
| Keyway Type | Woodruff |
| Keyway Width | 1/4 in |
| Lead Time | Expected to ship in 1-2. |
| Lubrication | Gear Oil |
| Lubrication Quantity (Q. | 3/8 |
| Max. Ambient Temp. | 40 Degrees C |
| Max. Torque | 456.0 in-lb |
| Maximum Torque | 456 in-lb |
| Motor Enclosure | Totally Enclosed Fan-Co. |
| Motor Frame | 56Y |
| Motor Insulation Class | F |
| Motor Type | Capacitor-Start, Capaci. |
| Mount Hole Center-to-Ce. | 6 in |
| Mount Hole Center-to-Ce. | 5 in |
| Mount Type | Any Position |
| Mounting | All Position |
| Mpn | 4CVZ2 |
| Nameplate RPM | 84 RPM, 84 |
| Operating Voltage | 115/208-230V AC |
| Output Shaft Diameter | 1 in |
| Output Shaft Height | 3.25 in |
| Output Shaft Length | 2 1/4 in |
| Overall Height | 10.66 in |
| Overall Length | 17.5 in |
| Overall Width | 10.14 in |
| Overhung Load | 882 lb |
| Overhung Load (Lb.) | 882 |
| Phase | 1 |
| Rotation | Reversible |
| RPM Range | 76 to 100 |
| Seals | Lip, Oil Seals on Axle . |
| Shaft | Single, Single Output |
| Shaft Dia. (Dimension U) | 1" |
| Shaft Dimensions (In.) | 1 X 2 1/4 |
| Shaft Length (Dimension. | 2.25" |
| Shaft Orientation | Right Angle |
| Ship Weight | 53 lbs. |
| SKU | ZO-G1765337 |
| Standards | UL Recognized |
| Starting Torque | 1,260 in-lb |
| Starting Torque (In.-Lb. | 1260 |
| SubCategory | Power Transmission |
| Thermal Protection | None, No |
| Type | Right Angle |
| UPC | 190735322987 |
| Voltage | 115/208-230 |
| Voltage Rating | 115/208-230 |
All Prices
| Img | Seller | Supplier SKU | Min Price | MOQ | In Stock | Lead Time | Brand | Weight | Preferred Tier |
|---|
  | Zoro | G1765337 | 1013.99 | 1 | 4 | | Dayton | 52.05 | 1013.99 @ 1 |
| AmazonTP | B00WO6H718 | 1147.83 | 1 | In Stock | 2 | DAYTON | | 1147.83 @ 1 |
| Grainger | 4CVZ2 | 1189.0 | 1 | 4 | 0 | DAYTON | | 1189.0 @ 1 |
| AmazonSC | B00WO6H718 | 1241.26 | 1 | In Stock | | Dayton | | 1241.26 @ 1 |
  | simsupply.com | ZO-G1765337 | 1268.63 | 1 | 3 | | Dayton | | 1268.63 @ 1 |
  | sustainablesupply.com | C1685764 | 1528.29 | 1 | In Stock | | Dayton | 52.05 | 1528.29 @ 1 |
| emotorpro.com | 4CVZ2 | 1555.0 | 1 | In Stock | | Dayton | 53.0 | 1555.0 @ 1 |