As an Amazon Associate, we earn from qualifying purchases.

Lateral Plunger - Large Threadless Body | HALDER | MISUMI

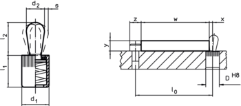
Gallery

Attributes

Brand name, Manufacturer name, ManufacturerHALDER
Extra Product NameLateral Plunger - Large Threadless Body | HALDER | MISUMI
extendedLead109
extendedQty-2
keywordsHALDER,Lateral Plunger - Large Threadless Body,Special Purpose Plungers,Plungers & Indexing Plungers,Locating & Positioning Components,Automation Components,MISUMI, Automation components, Configurable components, factory automation, assembly automation, mechanical, MISUMI catalog, e-catalog, Web Ordering System, Online Ordering,22150.018
moq, multiple1
MPN, SKU22150.018
qtyInStock0
snippetShop Lateral Plunger - Large Threadless Body from HALDER (22150.018). MISUMI USA has all of your Special Purpose Plungers needs covered, with over 3.8M high quality products and 80 sextillion configurable parts available with fast shipping and low pricing.

Distributor offers

SellerSKUMOQIn stockMultiplePrices
Misumi USA22150.01811
freertool.comEH-22150.0180111 @ $7.86
Digi-Key1654263211