As an Amazon Associate, we earn from qualifying purchases.

Wesanco

Gallery

Attributes

Brand name, Manufacturer name, Manufacturer, Extra Product NameWesanco
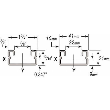
Attribute00HG Strut,ShortSlots,1-5/8x13/16",20 ft.
Attribute01United States
AttributeKey00Item
AttributeKey01Country of Origin (subject to change)
DimensionUnitinch
GraingerSku, MPNW400SSHG20
UPC840722138793
UnitOfMeasureEA
Weight16.2
WeightUnitlbs
cali_prop65_cancercausechem, cali_prop65_reproharmcausechemLead
cali_prop65_messageWARNING: This product can expose you to chemicals including Lead, which is known to the State of California to cause cancer and birth defects or other reproductive harm. For more information go to www.P65Warnings.ca.gov.
cali_prop65_orglabel, cali_prop65_whtlabelTrue
cali_prop65_warnmsgscenario4
countryOfOriginUS
extendedLead28
height5
jsonUrlData924526ffbdad25e5923b
length9.6
moq, multiple, tierMinQty11
qtyInStock, qtyInStockOverride0
qtySourceqtyInStockOverride
SKUG1015574
tierPrice168.71
urlhttps://www.zoro.com/wesanco-hg-strut-shortslots-1-58x1316-20-ft-w400sshg20/i/G1015574/
width9

Distributor offers

SellerSKUMOQIn stockMultiplePrices
ZoroG1015574111 @ $68.71